Praktyczny kalkulator dla układów 555
Timer IC 555 to aplikacja na platformę Android, która umożliwia obliczanie parametrów układu czasowego 555. Program oferuje szereg funkcji, w tym obliczanie częstotliwości oraz cyklu pracy na podstawie wartości rezystorów i kondensatorów. Użytkownicy mogą również przeprowadzać obliczenia odwrotne, co pozwala na dobór odpowiednich komponentów na podstawie zadanej częstotliwości i cyklu pracy. Aplikacja wspiera jedynie tryb astabilny działania układu.
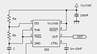
Interfejs aplikacji jest prosty i intuicyjny. Aby skorzystać z funkcji, wystarczy wprowadzić wartości rezystorów Ra, Rb oraz kondensatora C, co pozwoli na uzyskanie wyników w postaci częstotliwości, cyklu pracy oraz prostego wykresu falowego. Alternatywnie, użytkownicy mogą wprowadzić częstotliwość i cykl pracy, a aplikacja zaproponuje listę zalecanych rezystorów i kondensatorów, które można następnie wykorzystać do dalszych obliczeń.





